当前位置:首页 > 高考试题 > 理综

2020年山东新高考全国1卷物理试题及答案

今天30高考网小编整理了2020年山东新高考全国1卷物理试题及答案相关信息,希望在这方面能够更好的帮助到考生及家长。

山东省2020年普通高中学业水平等级考试

物理试题

注意事项:

1.答卷前,考生务必将自己的姓名、考生号等填写在答题卡和试卷指定位置。

2.回答选择题时,选出每小题答案后,用铅笔把答题卡上对应题目的答案标号涂黑。如需改动,用橡皮擦干净后,再选涂其他答案标号。回答非选择题时,将答案写在答题卡上。写在本试卷上无效。

3.考试结束后,将本试卷和答题卡一并交回。

一、单项选择题:本题共8小题,每小题3分,共24分。每小题只有一个选项符合题目要求。

1.一质量为m的乘客乘坐竖直电梯下楼,其位移s与时间t的关系图像如图所示。乘客所受支持力的大小用FN表示,速度大小用v表示。重力加速度大小为g。以下判断正确的是

2020年山东新高考全国1卷物理试题及答案

A.0~t1时间内,v增大,FN>mg

B.t1~t2 时间内,v减小,FN C.t2~t3 时间内,v增大,FN D.t2~t3时间内,v减小,FN >mg

2.氚核

2020年山东新高考全国1卷物理试题及答案

发生β衰变成为氦核

2020年山东新高考全国1卷物理试题及答案

。假设含氚材料中

2020年山东新高考全国1卷物理试题及答案

发生β衰变产生的电子可以全部定向移动,在3.2

2020年山东新高考全国1卷物理试题及答案

104 s时间内形成的平均电流为5.0

2020年山东新高考全国1卷物理试题及答案

10-8 A。已知电子电荷量为1.6

2020年山东新高考全国1卷物理试题及答案

10-19 C,在这段时间内发生β衰变的氚核

2020年山东新高考全国1卷物理试题及答案

的个数为

A.

2020年山东新高考全国1卷物理试题及答案

B.

2020年山东新高考全国1卷物理试题及答案

C.

2020年山东新高考全国1卷物理试题及答案

D.

2020年山东新高考全国1卷物理试题及答案

3.双缝干涉实验装置的截面图如图所示。光源S到S1、S2的距离相等,O点为S1、S2连线中垂线与光屏的交点。光源S发出的波长为

2020年山东新高考全国1卷物理试题及答案

的光,经S1出射后垂直穿过玻璃片传播到O点,经S2出射后直接传播到O点,由S1到O点与由S2到O点,光传播的时间差为

2020年山东新高考全国1卷物理试题及答案

。玻璃片厚度为10

2020年山东新高考全国1卷物理试题及答案

,玻璃对该波长光的折射率为1.5,空气中光速为c,不计光在玻璃片内的反射。以下判断正确的是

2020年山东新高考全国1卷物理试题及答案

A.

2020年山东新高考全国1卷物理试题及答案

B.

2020年山东新高考全国1卷物理试题及答案

C.

2020年山东新高考全国1卷物理试题及答案

D.

2020年山东新高考全国1卷物理试题及答案

4.一列简谐横波在均匀介质中沿x轴负方向传播,已知

2020年山东新高考全国1卷物理试题及答案

处质点的振动方程为

2020年山东新高考全国1卷物理试题及答案

,则

2020年山东新高考全国1卷物理试题及答案

时刻的波形图正确的是

2020年山东新高考全国1卷物理试题及答案

5.图甲中的理想变压器原、副线圈匝数比n1:n2=22:3,输入端a、b所接电压u随时间t的变化关系如图乙所示。灯泡L的电阻恒为15 Ω,额定电压为24 V。定值电阻R1=10 Ω、R2=5 Ω, 滑动变阻器R的最大阻值为10 Ω。为使灯泡正常工作,滑动变阻器接入电路的电阻应调节为

2020年山东新高考全国1卷物理试题及答案

A.1 Ω B.5 Ω C.6 Ω D.8 Ω

6.一定质量的理想气体从状态a开始,经a→b、b→c、c→a三个过程后回到初始状态a,其p-V图像如图所示。已知三个状态的坐标分别为a(V0, 2p0)、 b(2V0,p0)、c(3V0, 2p0) 以下判断正确的是

2020年山东新高考全国1卷物理试题及答案

A.气体在a→b过程中对外界做的功小于在b→c过程中对外界做的功

B.气体在a→b过程中从外界吸收的热量大于在b→c过程中从外界吸收的热量

C.在c→a过程中,外界对气体做的功小于气体向外界放出的热量

D.气体在c→a过程中内能的减少量大于b→c过程中内能的增加量

7.我国将在今年择机执行“天问1号”火星探测任务。质量为m的着陆器在着陆火星前,会在火星表面附近经历一个时长为t0、速度由v0减速到零的过程。已知火星的质量约为地球的0.1倍,半径约为地球的0.5倍,地球表面的重力加速度大小为g,忽略火星大气阻力。若该减速过程可视为一个竖直向下的匀减速直线运动,此过程中着陆器受到的制动力大小约为

A.

2020年山东新高考全国1卷物理试题及答案

B.

2020年山东新高考全国1卷物理试题及答案

C.

2020年山东新高考全国1卷物理试题及答案

D.

2020年山东新高考全国1卷物理试题及答案

8.如图所示,一轻质光滑定滑轮固定在倾斜木板上,质量分别为m和2m的物块A、B,通过不可伸长的轻绳跨过滑轮连接,A、B间的接触面和轻绳均与木板平行。A与B间、B与木板间的动摩擦因数均为μ,设最大静摩擦力等于滑动摩擦力。当木板与水平面的夹角为45°时,物块A、B刚好要滑动,则μ的值为

2020年山东新高考全国1卷物理试题及答案

A.

2020年山东新高考全国1卷物理试题及答案

B.

2020年山东新高考全国1卷物理试题及答案

C.

2020年山东新高考全国1卷物理试题及答案

D.

2020年山东新高考全国1卷物理试题及答案

二、多项选择题:本题共4小题,每小题4分,共16分。每小题有多个选项符合题目要求。全部选对得4分,选对但不全的得2分,有选错的得0分。

9.截面为等腰直角三角形的三棱镜如图甲所示。DE为嵌在三棱镜内部紧贴BB'C'C面的线状单色可见光光源,DE与三棱镜的ABC面垂直,D位于线段BC的中点。图乙为图甲中ABC面的正视图。三棱镜对该单色光的折射率为2 ,只考虑由DE直接射向侧面AA'CC的光线。下列说法正确的是

2020年山东新高考全国1卷物理试题及答案

A.光从AA'C'C面出射的区域占该侧面总面积的

2020年山东新高考全国1卷物理试题及答案

B.光从AA'C'C面出射的区域占该侧面总面积的

2020年山东新高考全国1卷物理试题及答案

C.若DE发出的单色光频率变小,AA'C'C面有光出射的区域面积将增大

D.若DE发出的单色光频率变小,AA'C'C面有光出射的区域面积将减小

10.真空中有两个固定的带正电的点电荷,电荷量不相等。一个带负电的试探电荷置于二者连线上的O点时,仅在电场力的作用下恰好保持静止状态。过O点作两正电荷连线的垂线,以O点为圆心的圆与连线和垂线分别交于a、c和b、d,如图所示。以下说法正确的是

2020年山东新高考全国1卷物理试题及答案

A.a点电势低于O点

B.b点电势低于c点

C.该试探电荷在a点的电势能大于在b点的电势能

D.该试探电荷在c点的电势能小于在d点的电势能

11.如图所示,质量为M的物块A放置在光滑水平桌面上,右侧连接一固定于墙面的水平轻绳,左侧通过一倾斜轻绳跨过光滑定滑轮与一竖直轻弹簧相连。现将质量为m的钩码B挂于弹簧下端,当弹簧处于原长时,将B由静止释放,当B下降到最低点时(未着地),A对水平桌面的压力刚好为零。轻绳不可伸长,弹簧始终在弹性限度内,物块A始终处于静止状态。以下判断正确的是

2020年山东新高考全国1卷物理试题及答案

A.M

B.2m C.在B从释放位置运动到最低点的过程中,所受合力对B先做正功后做负功

D.在B从释放位置运动到速度最大的过程中,B克服弹簧弹力做的功等于B机械能的减少量

12.如图所示,平面直角坐标系的第一和第二象限分别存在磁感应强度大小相等、方向相反且垂直于坐标平面的匀强磁场,图中虚线方格为等大正方形。一位于Oxy平面内的刚性导体框abcde在外力作用下以恒定速度沿y轴正方向运动(不发生转动)。从图示位置开始计时,4 s末bc边刚好进入磁场。在此过程中,导体框内感应电流的大小为I, ab边所受安培力的大小为Fab,二者与时间t的关系图像,可能正确的是

2020年山东新高考全国1卷物理试题及答案

2020年山东新高考全国1卷物理试题及答案

三、非选择题:本题共6小题,共60分。

13.(6分)2020年5月,我国进行了珠穆朗玛峰的高度测量,其中一种方法是通过使用重力仪测量重力加速度,进而间接测量海拔高度。某同学受此启发就地取材设计了如下实验,测量当地重力加速度的大小。实验步骤如下:

2020年山东新高考全国1卷物理试题及答案

(i)如图甲所示,选择合适高度的垫块,使木板的倾角为53°,在其上表面固定一与小物块下滑路径平行的刻度尺(图中未画出)。

(ii)调整手机使其摄像头正对木板表面,开启视频录像功能。将小物块从木板顶端释放,用手机记录下小物块沿木板向下做加速直线运动的情况。然后通过录像的回放,选择小物块运动路径上合适的一点作为测量参考点,得到小物块相对于该点的运动距离L与运动时间t的数据。

(iii)该同学选取部分实验数据,画出了

2020年山东新高考全国1卷物理试题及答案

-t图像,利用图像数据得到小物块下滑的加速度大小为5.6 m/s2。

(iv)再次调节垫块,改变木板的倾角,重复实验。

回答以下问题:

(1)当木板的倾角为37°时,所绘图像如图乙所示。由图像可得,物块过测量参考点时速度的大小为_____m/s;选取图线上位于坐标纸网格交叉点上的A、B两点,利用A、B两点数据得到小物块下滑加速度的大小为______m/s2。(结果均保留2位有效数字)

(2)根据上述数据,进一步分析得到当地的重力加速度大小为_____ m/s2。 (结果保留2位有效数字,sin37°= 0.60,cos37°=0.80 )

2020年山东新高考全国1卷物理试题及答案

14.(8分)实验方案对实验测量的精度有直接的影响,某学习小组对“测量电源的电动势和内阻”的实验方案进行了探究。实验室提供的器材有:

干电池一节(电动势约1.5 V,内阻小于1 Ω);

电压表V (量程3 V,内阻约3 kΩ);

电流表A (量程0.6 A,内阻约1 Ω);

滑动变阻器R (最大阻值为20 Ω);

定值电阻R1 (阻值2 Ω);

定值电阻R2 (阻值5 Ω);

开关一个,导线若干。

(1)该小组按照图甲所示的电路进行实验,通过调节滑动变阻器阻值使电流表示数逐渐接近满偏,记录此过程中电压表和电流表的示数,利用实验数据在U-I坐标纸上描点,如图乙所示,结果发现电压表示数的变化范围比较小,出现该现象的主要原因是___。(单选,填正确答案标号)

A.电压表分流 B.干电池内阻较小 C.滑动变阻器最大阻值较小 D.电流 表内阻较小

2020年山东新高考全国1卷物理试题及答案

(2)针对电压表示数的变化范围比较小的问题,该小组利用实验室提供的器材改进了实验方案,重新测量得到的数据如下表所示。

序号

1

2

3

4

5

6

7

I/A

0.08

0.14

0.20

0.26

0.32

0.36

0.40

U/V

1.35

1.20

1.05

0.88

0.73

0.71

0.52

请根据实验数据,回答以下问题:

①答题卡的坐标纸上已标出后3组数据对应的坐标点,请在答题卡的坐标纸上标出前4组数据对应的坐标点并画出U-I图像。

②根据实验数据可知,所选的定值电阻为______ (填“R1”或“R2”)。

③用笔画线代替导线,请在答题卡上按照改进后的方案,将实物图连接成完整电路。

15.(7分)中医拔罐的物理原理是利用玻璃罐内外的气压差使罐吸附在人体穴位上,进而治疗某些疾病。常见拔罐有两种,如图所示,左侧为火罐,下端开口;右侧为抽气拔罐,下端开口,上端留有抽气阀门。使用火罐时,先加热罐中气体,然后迅速按到皮肤上,自然降温后火罐内部气压低于外部大气压,使火罐紧紧吸附在皮肤上。抽气拔罐是先把罐体按在皮肤上,再通过抽气降低罐内气体压强。某次使用火罐时,罐内气体初始压强与外部大气压相同,温度为450 K,最终降到300 K,因皮肤凸起,内部气体体积变为罐容积的

2020年山东新高考全国1卷物理试题及答案

。若换用抽气拔罐,抽气后罐内剩余气体体积变为抽气拔罐容积的

2020年山东新高考全国1卷物理试题及答案

,罐内气压与火罐降温后的内部气压相同。罐内气体均可视为理想气体,忽略抽气过程中气体温度的变化。求应抽出气体的质量与抽气前罐内气体质量的比值。

2020年山东新高考全国1卷物理试题及答案

16.(9分)单板滑雪U型池比赛是冬奥会比赛项目,其场地可以简化为如图甲所示的模型: U形滑道由两个半径相同的四分之一圆柱面轨道和一个中央的平面直轨道连接而成,轨道倾角为17.2°。某次练习过程中,运动员以vM=10 m/s的速度从轨道边缘上的M点沿轨道的竖直切面ABCD滑出轨道,速度方向与轨道边缘线AD的夹角α=72.8°,腾空后沿轨道边缘的N点进入轨道。图乙为腾空过程左视图。该运动员可视为质点,不计空气阻力,取重力加速度的大小g=10 m/s2, sin72.8°=0.96,cos72.8°=0.30。求:

(1)运动员腾空过程中离开AD的距离的最大值d;

(2)M、N之间的距离L。

2020年山东新高考全国1卷物理试题及答案

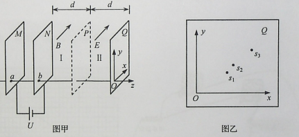
17.(14分)某型号质谱仪的工作原理如图甲所示。M、N为竖直放置的两金属板,两板间电压为U, Q板为记录板,分界面P将N、Q间区域分为宽度均为d的I、I两部分,M、N、P、Q所在平面相互平行,a、b为M、N上两正对的小孔。以a、b所在直线为z轴, 向右为正方向,取z轴与Q板的交点O为坐标原点,以平行于Q板水平向里为x轴正方向,竖直向上为y轴正方向,建立空间直角坐标系Oxyz。区域I、Ⅱ内分别充满沿x轴正方向的匀强磁场和匀强电场,磁感应强度大小、电场强度大小分别为B和E。一质量为m,电荷量为+q的粒子,从a孔飘入电场(初速度视为零),经b孔进入磁场,过P面上的c点(图中未画出)进入电场,最终打到记录板Q上。不计粒子重力。

(1)求粒子在磁场中做圆周运动的半径R以及c点到z轴的距离L;

(2)求粒子打到记录板上位置的x坐标;

(3)求粒子打到记录板上位置的y坐标(用R、d表示);

(4)如图乙所示,在记录板上得到三个点s1、s2、s3,若这三个点是质子

2020年山东新高考全国1卷物理试题及答案

、氚核

2020年山东新高考全国1卷物理试题及答案

、氦核

2020年山东新高考全国1卷物理试题及答案

的位置,请写出这三个点分别对应哪个粒子(不考虑粒子间的相互作用,不要求写出推导过程)。

2020年山东新高考全国1卷物理试题及答案

18.(16 分)如图所示,一倾角为θ的固定斜面的底端安装一弹性挡板,P、Q两物块的质量分别为m和4m,Q静止于斜面上A处。某时刻,P以沿斜面向上的速度v0与Q发生弹性碰撞。Q与斜面间的动摩擦因数等于tanθ,设最大静摩擦力等于滑动摩擦力。P与斜面间无摩擦,与挡板之间的碰撞无动能损失。两物块均可以看作质点,斜面足够长,Q的速度减为零之前P不会与之发生碰撞。重力加速度大小为g。

2020年山东新高考全国1卷物理试题及答案

(1)求P与Q第一次碰撞后瞬间各自的速度大小vP1、vQ1;

(2)求第n次碰撞使物块Q上升的高度hn;

(3)求物块Q从A点上升的总高度H;

(4)为保证在Q的速度减为零之前P不会与之发生碰撞,求A点与挡板之间的最小距离s。

山东省2020年普通高中学业水平等级考试

物理试题参考答案

一、单项选择题

1.D 2.B 3.A 4.D 5.A 6.C 7.B 8.C

二、多项选择题

9.AC 10.BD 11.ACD 12.BC

三、非选择题

13.(1)0.32或0.33 3.1 (2)9.4

14.(1)B

(2)①如下左图 ②R1 ③如下右图。

2020年山东新高考全国1卷物理试题及答案

15.解:

设火罐内气体初始状态参量分别为p1、T1、V1,温度降低后状态参量分别为p2、T2、V2,罐的容积为V0,由题意知

p1=p0、T1=450 K、V1=V2、T2=300 K、V2=20V0/21 ①

由理想气体状态方程得

2020年山东新高考全国1卷物理试题及答案

代入数据得

p2=0.7p0  ③

对于抽气罐,设初态气体状态参量分别为p3、V3,末态气体状态参量分别为p4、V4,罐的容积为

2020年山东新高考全国1卷物理试题及答案

,由题意知

p3=p0、V3=

2020年山东新高考全国1卷物理试题及答案

、p4=p2 ④

由玻意耳定律得

2020年山东新高考全国1卷物理试题及答案

联立②⑤式,代入数据得

2020年山东新高考全国1卷物理试题及答案

设抽出的气体的体积为ΔV,由题意知

2020年山东新高考全国1卷物理试题及答案

故应抽出气体的质量与抽气前罐内气体质量的比值为

2020年山东新高考全国1卷物理试题及答案

联立②⑤⑦⑧式,代入数据得

2020年山东新高考全国1卷物理试题及答案

16.解:

(1)在M点,设运动员在ABCD面内垂直AD方向的分速度为v1,由运动的合成与分解规律得

2020年山东新高考全国1卷物理试题及答案

设运动员在ABCD面内垂直AD方向的分加速度为a1,由牛顿第二定律得

mgcos17.2°=ma1  ②

由运动学公式得

2020年山东新高考全国1卷物理试题及答案

联立①②③式,代入数据得

d=4.8 m  ④

(2)在M点,设运动员在ABCD面内平行AD方向的分速度为v2,由运动的合成与分解规律得v2=vMcos72.8° ⑤

设运动员在ABCD面内平行AD方向的分加速度为a2,由牛顿第二定律得

mgsin17.2°=ma2  ⑥

设腾空时间为t,由运动学公式得

2020年山东新高考全国1卷物理试题及答案

2020年山东新高考全国1卷物理试题及答案

联立①②⑤⑥⑦⑧式,代入数据得

L=12 m  ⑨

17.解:

(1)设粒子经加速电场到b孔的速度大小为v,粒子在区域I中,做匀速圆周运动对应圆心角为α,在M、N两金属板间,由动能定理得

qU=

2020年山东新高考全国1卷物理试题及答案

mv2  ①

在区域I中,粒子做匀速圆周运动,磁场力提供向心力,由牛顿第二定律得

2020年山东新高考全国1卷物理试题及答案

联立①②式得

2020年山东新高考全国1卷物理试题及答案

由几何关系得

2020年山东新高考全国1卷物理试题及答案

2020年山东新高考全国1卷物理试题及答案

2020年山东新高考全国1卷物理试题及答案

联立①②④式得

2020年山东新高考全国1卷物理试题及答案

(2)设区域Ⅱ中粒子沿z轴方向的分速度为vz,沿x轴正方向加速度大小为a,位移大小为x,运动时间为t,由牛顿第二定律得

qE=ma  ⑧

粒子在z轴方向做匀速直线运动,由运动合成与分解的规律得

2020年山东新高考全国1卷物理试题及答案

2020年山东新高考全国1卷物理试题及答案

粒子在x方向做初速度为零的匀加速直线运动,由运动学公式得

2020年山东新高考全国1卷物理试题及答案

联立①②⑤⑧⑨⑩⑪式得

2020年山东新高考全国1卷物理试题及答案

(3)设粒子沿y方向偏离z轴的距离为y,其中在区域Ⅱ中沿y方向偏离的距离为y',由运动学公式得

y'=vtsinα  ⑬

由题意得

y=L+y'  ⑭

联立①④⑥⑨⑩⑬⑭式

2020年山东新高考全国1卷物理试题及答案

(4)s1、s2、s3分别对应氚核

2020年山东新高考全国1卷物理试题及答案

、氦核

2020年山东新高考全国1卷物理试题及答案

、质子

2020年山东新高考全国1卷物理试题及答案

的位置。

18.解:

(1)P与Q的第一次碰撞,取P的初速度方向为正方向,由动量守恒定律得

2020年山东新高考全国1卷物理试题及答案

由机械能守恒定律得

2020年山东新高考全国1卷物理试题及答案

联立①②式得

2020年山东新高考全国1卷物理试题及答案

2020年山东新高考全国1卷物理试题及答案

故第一次碰撞后P的速度大小为

2020年山东新高考全国1卷物理试题及答案

,Q的速度大小为

2020年山东新高考全国1卷物理试题及答案

(2)设第一次碰撞后Q上升的高度为h1,对Q由运动学公式得

2020年山东新高考全国1卷物理试题及答案

联立①②⑤式得

2020年山东新高考全国1卷物理试题及答案

设P运动至与Q刚要发生第二次碰撞前的位置时速度为

2020年山东新高考全国1卷物理试题及答案

,第一次碰后至第二次碰前,对P由动能定理得

2020年山东新高考全国1卷物理试题及答案

联立①②⑤⑦式得

2020年山东新高考全国1卷物理试题及答案

P与Q的第二次碰撞,设碰后P与Q的速度分别为

2020年山东新高考全国1卷物理试题及答案

2020年山东新高考全国1卷物理试题及答案

,由动量守恒定律得

2020年山东新高考全国1卷物理试题及答案

由机械能守恒定律得

2020年山东新高考全国1卷物理试题及答案

联立①②⑤⑦⑨⑩式得

2020年山东新高考全国1卷物理试题及答案

2020年山东新高考全国1卷物理试题及答案

设第二次碰撞后Q上升的高度为h2,对Q由运动学公式得

2020年山东新高考全国1卷物理试题及答案

联立①②⑤⑦⑨⑩⑬式得

2020年山东新高考全国1卷物理试题及答案

设P运动至与Q刚要发生第三次碰撞前的位置时速度为

2020年山东新高考全国1卷物理试题及答案

,第二次碰后至第三次碰前,对P由动能定理得

2020年山东新高考全国1卷物理试题及答案

联立①②⑤⑦⑨⑩⑬⑮式得

2020年山东新高考全国1卷物理试题及答案

P与Q的第三次碰撞,设碰后P与Q的速度分别为

2020年山东新高考全国1卷物理试题及答案

2020年山东新高考全国1卷物理试题及答案

,由动量守恒定律得

2020年山东新高考全国1卷物理试题及答案

由机械能守恒定律得

2020年山东新高考全国1卷物理试题及答案

联立①②⑤⑦⑨⑩⑬⑮⑰⑱式得

2020年山东新高考全国1卷物理试题及答案

2020年山东新高考全国1卷物理试题及答案

设第三次碰撞后Q上升的高度为h3,对Q由运动学公式得

2020年山东新高考全国1卷物理试题及答案

联立①②⑤⑦⑨⑩⑬⑮⑰⑱式得

2020年山东新高考全国1卷物理试题及答案

……

总结可知,第n次碰撞后,物块Q上升的高度为

2020年山东新高考全国1卷物理试题及答案

(n=1,2,3……)

(3)当P、Q达到H时,两物块到此处的速度可视为零,对两物块运动全过程由动能定理得

2020年山东新高考全国1卷物理试题及答案

解得

2020年山东新高考全国1卷物理试题及答案

(4)设Q第一次碰撞至速度减为零需要的时间为t1,由运动学公式得

2020年山东新高考全国1卷物理试题及答案

设P运动到斜面底端时的速度为

2020年山东新高考全国1卷物理试题及答案

,需要的时间为t2,由运动学公式得

2020年山东新高考全国1卷物理试题及答案

2020年山东新高考全国1卷物理试题及答案

设P从A点到Q第一次碰后速度减为零处匀减速运动的时间为t3

2020年山东新高考全国1卷物理试题及答案

当A点与挡板之间的距离最小时

2020年山东新高考全国1卷物理试题及答案

联立式,代入数据得

2020年山东新高考全国1卷物理试题及答案

如果你需要在线作图,30gk小编推荐个不错的在线作图网站:https://www.zhaotu.com/

以上,就是30高考网的小编给大家带来的2020年山东新高考全国1卷物理试题及答案全部内容,希望对大家有所帮助!

  展开阅读全文
TAG:
本文标题:2020年山东新高考全国1卷物理试题及答案
wap地址: https://m.30gk.com/newsdetail/102686.html

与“2020年山东新高考全国1卷物理试题及答案”相关推荐